
VOLVO PENTA
Seal Kit Volvo
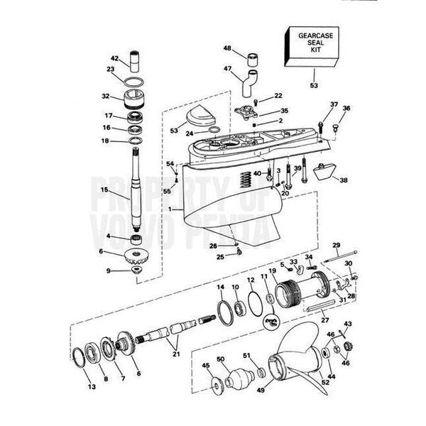
Mfr # 3850597. The Volvo Penta Seal Kit 3850597 is the lower unit sealing kit that comes with a bunch of seals, orings, and gaskets Be sure to pick the most suitable kit for your boat's lower unit model It is a lower gearcase seal kit that works for the driveshaft, sealing the oil and preventing the water from entering the lower unit You must match and carefully check the schematic model for the correct fitting This sealing kit retains lubrication and is necessary to ensure there's no leaking to your gearcase Therefore, buying an excellent seal is a must Key Features Lower unit seal kit includes Oring, gasket, and bearing OEM quality and engineered for specific applications and are always accurate in form, fit, and function High adaptable and durable Meets or exceeds the original equipment quality Built with precision Highest quality aftermarket parts available Replaces OEM 0778148 Equivalent to 778148 Evinrude Johnson OMC BRP Specifications SKU 3850597 Weight 022 LBS Diagram Reference Number 56 Brand Volvo Penta Volvo Penta Exploded view schematic Lower Gear Unit