
VOLVO PENTA
Fuel Pump
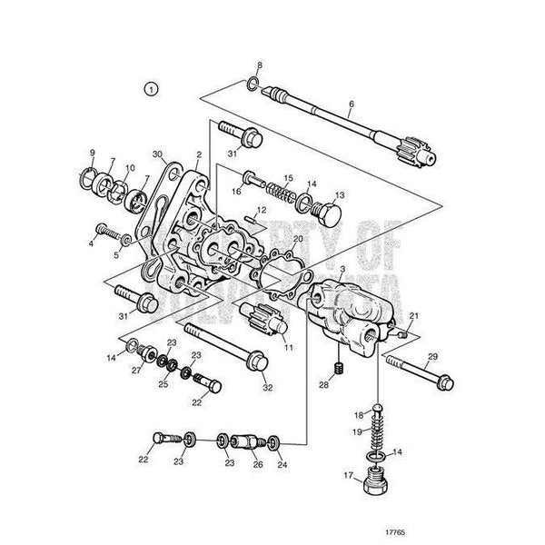
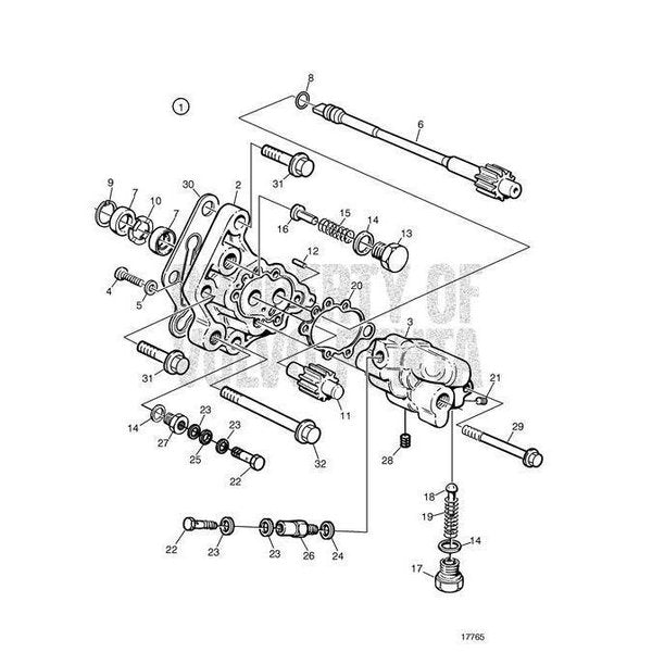
Mfr # 21067551. One of the essential components of a boat motor is the Choosing the properfor your boat is critical for performance boating Your boat will get greater power or speed if you use the right pump Volvo Penta 21067551 is perfect for your boat The fuel is drawn from the gas tank to the fuel injection system by this pump The fuel is delivered to the fuel line, the rail, and the cylinder When the air meets the fuel, a spark is ignited, resulting in combustion It will aid in the transfer of fuel from the tank to the fuel system, and it will have a significant impact on how your boat's motor consumes energy and how much power it produces Thisis an essential component of your boat's engine Key Features Made of highquality, longlasting materials It can keep highpressure gasoline pump cool Distributes fuel from the tank to the rest of the system HighPerformace Specifications SKU 21067551 Weight 280 LBS Diagram Reference Number 1 Volvo Penta Exploded view schematic Fuel Feed Pump, Components